Клеммная колодка КТП
Клеммная колодка предназначена для установки в коммутационную головку термодатчика или для непосредственного соединения термодатчика с кабелем
Особенности:
- Корпус из керамики МКР обладает высокой термостойкостью, не плавится и не горит. Обеспечивает устойчивость к механическим повреждениям, износу, воздействию окружающей среды, высокую стойкость на пробой даже при воздействии влаги, устойчивость к токам поверхностной утечки
- Контакты датчика и кабеля присоединяются с помощью винтов (кроме КТП-42-33-3-П, КТП-44-33-3-П см. "Монтаж и подключение")
- Совместимость с коммутационными головками указана в таблице. Также колодки могут использоваться с прочими головками подходящих размеров
Соответствие клеммных колодок и коммутационных головок:
| Коммутационная головка | Клеммная колодка |
| ГДТ-35-27-АР | КТП-35-27-2 КТП-35-27-4 |
| ГДТ-42-33-АВ | КТП-42-33-4 КТП-42-33-3-П |
| ГДТ-51-33/40-АР | КТП-42-33-4 КТП-42-33-3-П КТП-44-33-3-П КТП-49-40-2 КТП-49-40-4 |
| ГДТ-42-33-АС | КТП-42-33-4 КТП-42-33-3-П |
| ГДТ-46-33-НР | КТП-42-33-4 КТП-42-33-3-П КТП-44-33-3-П |
| ГДТ-61-46-АВ | КТП-55-41-2 КТП-55-41-4 |
| ГДТ-65-33/36/40/43-АРИ | КТП-42-33-4 КТП-42-33-3-П КТП-44-33-3-П КТП-49-40-2 КТП-49-40-4 КТП-55-41-2 КТП-55-41-4 |
Монтаж и подключение:Клеммная колодка позволяет легко и быстро подключить контакты датчика температуры и контакты кабеля. Колодка монтируется в коммутационную головку с помощью винтов (не входят в комплект) для дополнительной защиты узла коммутации от внешних воздействий.
В колодках для удобного подключения выводов датчика имеются сквозные отверстия (кроме моделей КТП-26-19-2(4), КТП-55-41-2(4), КТП-42-33-3-П, КТП- 44-33-3-П): вывод датчика проходит в отверстие в основании колодки, отверстие в клемме и зажимается винтом. Выводы кабеля также зажимаются винтами

КТП-49-40-2 с термопарой ТП-А-1002-3,2
В моделях КТП-26-19-2(4) выводы датчика проходят через центральное отверстие в основании колодки и зажимаются боковыми винтами

КТП-26-19-2 с термопарой ТП-А-1003
В моделях КТП-55-41-2(4) выводы датчика проходят через центральное отверстие в основании колодки и подключаются через отверстия в клеммах

КТП-55-41-2 с термопарой ТП-А-1002-1,2
В модели КТП-42-33-3-П контакты датчика присоединяются пайкой, а кабеля – с помощью гаек с насечками (можно закручивать вручную)

КТП-42-33-3-П
У колодок КТП-49-40-2 и КТП-49-40-4 имеются дополнительные монтажные отверстия с расстоянием между центрами 32 мм (см. чертеж). Можно использовать эти колодки для коммутационных головок с расстоянием между монтажными отверстиями 33 мм. Необходимо соблюдать осторожность при затягивании винтов, чтобы не вызвать разрушение колодки.
Технические характеристики
| Параметр | Значение | ||||||||||
| КТП-26-19-2 | КТП-26-19-4 | КТП-35-27-2 | КТП-35-27-4 | КТП-42-33-4 | КТП-42-33-3-П | КТП-44-33-3-П | КТП-49-40-2 | КТП-49-40-4 | КТП-55-41-2 | КТП-55-41-4 | |
| Диаметр колодки | 26 мм | 35 мм | 42 мм ±1,5 мм | 44 мм | 49 мм | 55 мм | |||||
| Расстояние между монтажными отверстиями | 19 мм | 27 мм | 33...37 мм | 32 мм 40 мм | 41...46 мм | ||||||
| Количество контактов | 2 | 4 | 2 | 4 | 4 | 3 | 3 | 2 | 4 | 2 | 4 |
| Количество монтажных отверстий |
2 | 4 | 2 | ||||||||
| Диаметр отверстий в основании колодки под выводы датчика | 1 отв.×∅ 6 мм | 2 отв.×∅ 1,5 мм 2 отв.×∅ 2,5 мм | 4 отв.×∅ 1,5 мм 4 отв.×∅ 2,5 мм | 4 отв.×∅ 4 мм | 1 отв.×∅ 14 мм | 4 отв.×∅ 4 мм | 2 отв.×∅ 2 мм 2 отв.×∅ 3,5 мм | 4 отв.×∅ 2 мм 4 отв.×∅ 3,5 мм | 1 отв.×∅ 10 мм | ||
| Диаметр отверстий в клеммах под выводы датчика | – | – | 2 отв. × ∅ 2,5 мм | 4 отв. × ∅ 2,5 мм | 4 отв.×∅ 3 мм | – | 4 отв.×∅ 3 мм | 2 отв.×∅ 3,5 мм | 4 отв.×∅ 3,5 мм | 2 отв.×∅ 2,5 мм | 4 отв.×∅ 2,5 мм |
| Рабочая температура | −40...+600°С | ||||||||||
| Материал корпуса | керамика МКР (Al2O3 45%, SiO2 55%) | ||||||||||
| Материал контактов | никелированная латунь | ||||||||||
Все модификации
| Артикул | Диаметр, мм | Расст.между крепежными отверстиями | Кол-во контактов | Срок поставки | Стоимость |
|---|---|---|---|---|---|
| Q06199 | 26 | 19 мм | 2 | Со склада | 156 руб. |
| Q06205 | 26 | 19 мм | 4 | Со склада | 250 руб. |
| Q06200 | 35 | 27 мм | 2 | Со склада | 136 руб. |
| Q06206 | 35 | 27 мм | 4 | Со склада | 226 руб. |
| Q06203 | 42 | 33...37 мм | 3 | Со склада | 351 руб. |
| Q06207 | 42 | 33...37 мм | 4 | Со склада | 429 руб. |
| Q06204 | 44 | 33...37 мм | 3 | Снято с производства | 429 руб. |
| Q06201 | 49 | 40 мм | 2 | Со склада | 187 руб. |
| Q06208 | 49 | 40 мм | 4 | Со склада | 312 руб. |
| Q06202 | 55 | 41…46 мм | 2 | Со склада | 488 руб. |
| Q06209 | 55 | 41…46 мм | 4 | Со склада | 722 руб. |

| Номер позиции | Название позиции | Обозначение | Расшифровка |
| 1 | Диаметр | 26 | 26 мм |
| 35 | 35 мм | ||
| ... | |||
| 2 | Расстояние между монтажными отверстиями | 19 | 19 мм |
| 27 | 27 мм | ||
| 33/40 | 33 мм и 40 мм | ||
| ... | |||
| 3 | Количество контактов | 2 | |
| 3 | |||
| 4 | |||
| 4 | Способ присоединения выводов датчика | Пусто | Винты |
| П | Пайка |
| Габаритные размеры |
| КТП-26-19-4 (КТП-26-19-2 аналогично, с 2 клеммами) |
|
|
| КТП-35-27-2 |
![]() |
| КТП-35-27-4 |
![]() |
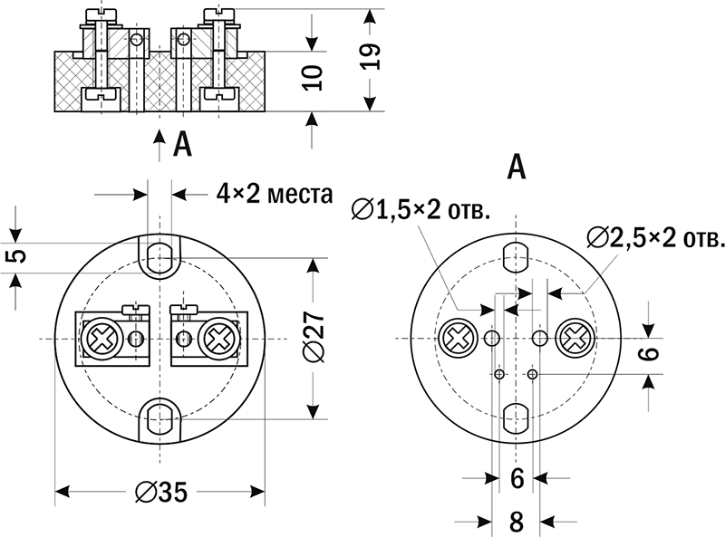
| КТП-42-33-4 |
![]() |
| КТП-42-33-3П (КТП-44-33-3П аналогично, наружный диаметр 44 мм) |
![]() |
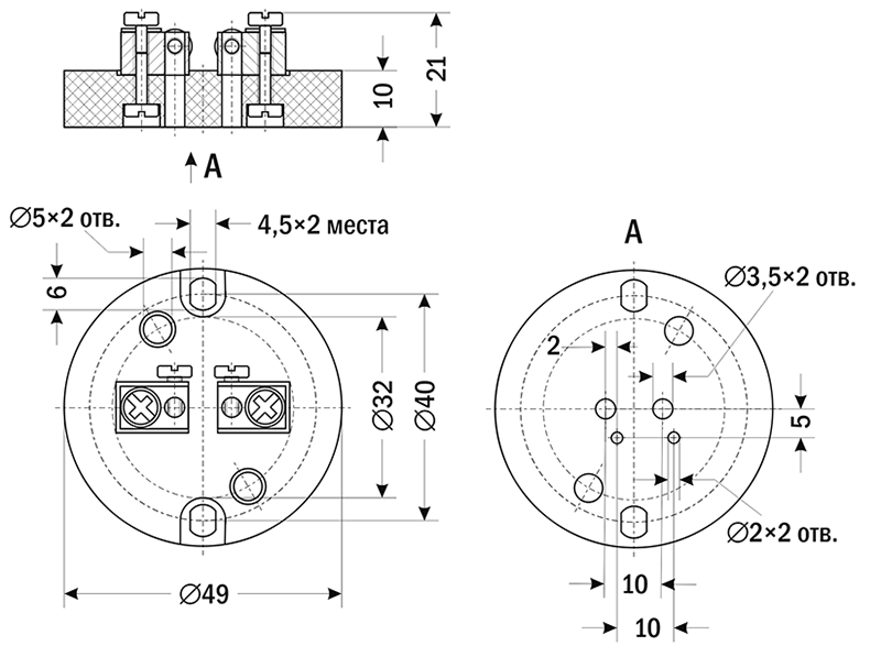
| КТП-49-40-2 |
![]() |
| КТП-49-40-4 |
![]() |
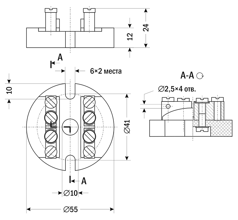
| КТП-55-41-4 (КТП-55-41-2 аналогично, с 2 клеммами) |
![]() |










