Клапан нормально закрытый AR-2D21
Клапан соленоидный нормально закрытый непрямого действия с диафрагмой AR-2D21 предназначен для управления потоком рабочей среды в трубопроводе
Особенности:
- Защита трубопровода от гидравлических ударов благодаря специальной конструкции клапана
- Высокая частота срабатывания
- Долгий срок службы
Принцип действия и область применения
Нормально закрытый соленоидный клапан – это магнитный клапан, в котором закрытое положение сохраняется, если управляющее напряжение на его индукционную катушку не подается. При подаче напряжения на катушку нормально закрытый клапан открывается и пропускает через себя поток рабочей среды. При отключении управляющего напряжения этот клапан автоматически закрывается и перекрывает поток рабочей среды в трубопроводе. При обрыве провода управляющего напряжения клапан будет закрыт.
В большинстве случаев подходит для эксплуатации в системах водоснабжения, теплоснабжения, вентиляции и пневмоуправления. Особенно актуально применение этого типа клапана, когда клапан должен быть закрыт большую часть времени либо когда он обязательно должен быть закрыт при отключении электропитания системы.
Для защиты клапана от попадания инородных частиц необходима установка фильтра механической очистки перед входным отверстием соленоидного клапана.
Для герметизации резьбовых металлических соединений рекомендуется использование анаэробных герметиков.
Технические характеристики
| Параметр | Значение | |
| Рабочая среда | Вода, горячая вода, воздух, инертные газы, масла, спирт | |
| Материал | корпуса | Латунь |
| уплотнения | VITON | |
| Температура рабочей среды | −30...+150°С | |
| Рабочее давление | 0,03...1,6 МПа | |
| Диаметр условного прохода | 12...50 мм | |
| Присоединение | Резьбовое G⅜"...G2" | |
| Питание | ~380 В, ~220 В, ~110 В, ~36 В, ~24 В, =24 В, =12 В, =6 В | |
| Катушка | Мощность | AC | DC | ||||||
| ~380 В | ~220 В | ~110 В | ~36 В | ~24 В | =24 В | =12 В | =6 В | ||
| S91H IP54 | 10 ВА | V | V | ||||||
| 20 ВА | V | V | V | ||||||
| 14 Вт | V | V | V | ||||||
| ASE11H* IP65 | 4,5 ВА | V | |||||||
| 8 Вт | V | V | |||||||
| ASEx543** IP65 | 23 ВА | V | V | V | |||||
| 13 Вт | V | V | |||||||
* Использование энергосберегающей катушки ASE11H позволяет снизить температуру нагрева катушки и тем самым продлить срок ее службы в несколько раз.
** Использование взрывозащищенной катушки ASEx543 может привести к уменьшению верхнего предела рабочего давления клапана.
Модификации
| Модель | Ду, мм | Kv, м³/ч | Присоединение | Pmin, МПа | Pmax, МПа |
| AR-2D21-12-3/8-GBV | 12 | 4,5 | ⅜" | 0,03 | 1,6 |
| AR-2D21-15-1/2-GBV | 15 | 4,5 | ½" | ||
| AR-2D21-20-3/4-GBV | 20 | 9,3 | ¾" | ||
| AR-2D21-25-1-GBV | 25 | 12 | 1" | ||
| AR-2D21-32-1.1/4-GBV | 32 | 24 | 1¼" | ||
| AR-2D21-40-1.1/2-GBV | 40 | 29 | 1½" | ||
| AR-2D21-50-2-GBV | 50 | 48 | 2" |
Расшифровка обозначения на примере клапана AR-2D21-12-3/8-GBV:
AR-2D21 – модель клапана.
12 – диаметр условного прохода.
3/8 – размер резьбы, в дюймах.
X – присоединение: G – трубная резьба.
Y – материал корпуса: B – латунь.
Z – материал уплотнения: V – VITON.
Все модификации
| Артикул | Диаметр условного прохода, мм | Модель катушки | Питание, В | Срок поставки | Стоимость |
|---|---|---|---|---|---|
| O42694 | 12 | S91H | ~380 | Со склада (комплектация 1..72 часа) | 5114 руб. |
| O42701 | 12 | S91H | ~220 | Со склада | 5014 руб. |
| O42722 | 12 | S91H | ~110 | Со склада (комплектация 1..72 часа) | 5114 руб. |
| O42736 | 12 | S91H | ~36 | Со склада (комплектация 1..72 часа) | 5114 руб. |
| O42743 | 12 | S91H | ~24 | Со склада (комплектация 1..72 часа) | 5114 руб. |
| O42757 | 12 | S91H | =24 | Со склада (комплектация 1..72 часа) | 5114 руб. |
| O42778 | 12 | S91H | =12 | Со склада (комплектация 1..72 часа) | 5114 руб. |
| O42799 | 12 | S91H | =6 | Со склада (комплектация 1..72 часа) | 5114 руб. |
| O42708 | 12 | ASE11H | ~220 | Со склада (комплектация 1..72 часа) | 6673 руб. |
| O42764 | 12 | ASE11H | =24 | Со склада (комплектация 1..72 часа) | 6773 руб. |
| O42785 | 12 | ASE11H | =12 | 120 дней | 6773 руб. |
| O42715 | 12 | ASEx543 | ~220 | Со склада (комплектация 1..72 часа) | 11430 руб. |
| O42729 | 12 | ASEx543 | ~110 | Со склада (комплектация 1..72 часа) | 11530 руб. |
| O42750 | 12 | ASEx543 | ~24 | 120 дней | 11530 руб. |
| O42771 | 12 | ASEx543 | =24 | Со склада (комплектация 1..72 часа) | 11530 руб. |
| O42792 | 12 | ASEx543 | =12 | Со склада (комплектация 1..72 часа) | 11530 руб. |
| O42695 | 15 | S91H | ~380 | Со склада (комплектация 1..72 часа) | 5114 руб. |
| O42702 | 15 | S91H | ~220 | Со склада | 5014 руб. |
| O42723 | 15 | S91H | ~110 | Со склада (комплектация 1..72 часа) | 5114 руб. |
| O42737 | 15 | S91H | ~36 | Со склада (комплектация 1..72 часа) | 5114 руб. |
| O42744 | 15 | S91H | ~24 | Со склада (комплектация 1..72 часа) | 5114 руб. |
| O42758 | 15 | S91H | =24 | Со склада (комплектация 1..72 часа) | 5114 руб. |
| O42779 | 15 | S91H | =12 | Со склада (комплектация 1..72 часа) | 5114 руб. |
| O42800 | 15 | S91H | =6 | Со склада (комплектация 1..72 часа) | 5114 руб. |
| O42709 | 15 | ASE11H | ~220 | Со склада (комплектация 1..72 часа) | 6673 руб. |
| O42765 | 15 | ASE11H | =24 | Со склада (комплектация 1..72 часа) | 6773 руб. |
| O42786 | 15 | ASE11H | =12 | 120 дней | 6773 руб. |
| O42716 | 15 | ASEx543 | ~220 | Со склада (комплектация 1..72 часа) | 11430 руб. |
| O42730 | 15 | ASEx543 | ~110 | Со склада (комплектация 1..72 часа) | 11530 руб. |
| O42751 | 15 | ASEx543 | ~24 | 120 дней | 11530 руб. |
| O42772 | 15 | ASEx543 | =24 | Со склада (комплектация 1..72 часа) | 11530 руб. |
| O42793 | 15 | ASEx543 | =12 | Со склада (комплектация 1..72 часа) | 11530 руб. |
| O42696 | 20 | S91H | ~380 | Со склада (комплектация 1..72 часа) | 6497 руб. |
| O42703 | 20 | S91H | ~220 | Со склада | 6397 руб. |
| O42724 | 20 | S91H | ~110 | Со склада (комплектация 1..72 часа) | 6497 руб. |
| O42738 | 20 | S91H | ~36 | Со склада (комплектация 1..72 часа) | 6497 руб. |
| O42745 | 20 | S91H | ~24 | Со склада (комплектация 1..72 часа) | 6497 руб. |
| O42759 | 20 | S91H | =24 | Со склада (комплектация 1..72 часа) | 6497 руб. |
| O42780 | 20 | S91H | =12 | Со склада (комплектация 1..72 часа) | 6497 руб. |
| O42801 | 20 | S91H | =6 | Со склада (комплектация 1..72 часа) | 6497 руб. |
| O42710 | 20 | ASE11H | ~220 | Со склада (комплектация 1..72 часа) | 8056 руб. |
| O42766 | 20 | ASE11H | =24 | Со склада (комплектация 1..72 часа) | 8156 руб. |
| O42787 | 20 | ASE11H | =12 | 120 дней | 8156 руб. |
| O42717 | 20 | ASEx543 | ~220 | Со склада (комплектация 1..72 часа) | 12813 руб. |
| O42731 | 20 | ASEx543 | ~110 | Со склада (комплектация 1..72 часа) | 12913 руб. |
| O42752 | 20 | ASEx543 | ~24 | 120 дней | 12913 руб. |
| O42773 | 20 | ASEx543 | =24 | Со склада (комплектация 1..72 часа) | 12913 руб. |
| O42794 | 20 | ASEx543 | =12 | Со склада (комплектация 1..72 часа) | 12913 руб. |
| O42697 | 25 | S91H | ~380 | Со склада (комплектация 1..72 часа) | 7881 руб. |
| O42704 | 25 | S91H | ~220 | Со склада | 7781 руб. |
| O42725 | 25 | S91H | ~110 | Со склада (комплектация 1..72 часа) | 7881 руб. |
| O42739 | 25 | S91H | ~36 | Со склада (комплектация 1..72 часа) | 7881 руб. |
| O42746 | 25 | S91H | ~24 | Со склада (комплектация 1..72 часа) | 7881 руб. |
| O42760 | 25 | S91H | =24 | Со склада (комплектация 1..72 часа) | 7881 руб. |
| O42781 | 25 | S91H | =12 | Со склада (комплектация 1..72 часа) | 7881 руб. |
| O42802 | 25 | S91H | =6 | Со склада (комплектация 1..72 часа) | 7881 руб. |
| O42711 | 25 | ASE11H | ~220 | Со склада (комплектация 1..72 часа) | 9440 руб. |
| O42767 | 25 | ASE11H | =24 | Со склада (комплектация 1..72 часа) | 9540 руб. |
| O42788 | 25 | ASE11H | =12 | 120 дней | 9540 руб. |
| O42718 | 25 | ASEx543 | ~220 | Со склада (комплектация 1..72 часа) | 14197 руб. |
| O42732 | 25 | ASEx543 | ~110 | Со склада (комплектация 1..72 часа) | 14297 руб. |
| O42753 | 25 | ASEx543 | ~24 | 120 дней | 14297 руб. |
| O42774 | 25 | ASEx543 | =24 | Со склада (комплектация 1..72 часа) | 14297 руб. |
| O42795 | 25 | ASEx543 | =12 | Со склада (комплектация 1..72 часа) | 14297 руб. |
| O42698 | 32 | S91H | ~380 | Со склада (комплектация 1..72 часа) | 15661 руб. |
| O42705 | 32 | S91H | ~220 | Со склада | 15561 руб. |
| O42726 | 32 | S91H | ~110 | Со склада (комплектация 1..72 часа) | 15661 руб. |
| O42740 | 32 | S91H | ~36 | Со склада (комплектация 1..72 часа) | 15661 руб. |
| O42747 | 32 | S91H | ~24 | Со склада (комплектация 1..72 часа) | 15661 руб. |
| O42761 | 32 | S91H | =24 | Со склада (комплектация 1..72 часа) | 15661 руб. |
| O42782 | 32 | S91H | =12 | Со склада (комплектация 1..72 часа) | 15661 руб. |
| O42803 | 32 | S91H | =6 | Со склада (комплектация 1..72 часа) | 15661 руб. |
| O42712 | 32 | ASE11H | ~220 | Со склада (комплектация 1..72 часа) | 17220 руб. |
| O42768 | 32 | ASE11H | =24 | Со склада (комплектация 1..72 часа) | 17320 руб. |
| O42789 | 32 | ASE11H | =12 | 120 дней | 17320 руб. |
| O42719 | 32 | ASEx543 | ~220 | Со склада (комплектация 1..72 часа) | 21977 руб. |
| O42733 | 32 | ASEx543 | ~110 | Со склада (комплектация 1..72 часа) | 22077 руб. |
| O42754 | 32 | ASEx543 | ~24 | 120 дней | 22077 руб. |
| O42775 | 32 | ASEx543 | =24 | Со склада (комплектация 1..72 часа) | 22077 руб. |
| O42796 | 32 | ASEx543 | =12 | Со склада (комплектация 1..72 часа) | 22077 руб. |
| O42699 | 40 | S91H | ~380 | Со склада (комплектация 1..72 часа) | 15661 руб. |
| O42706 | 40 | S91H | ~220 | Со склада | 15561 руб. |
| O42727 | 40 | S91H | ~110 | Со склада (комплектация 1..72 часа) | 15661 руб. |
| O42741 | 40 | S91H | ~36 | Со склада (комплектация 1..72 часа) | 15661 руб. |
| O42748 | 40 | S91H | ~24 | Со склада (комплектация 1..72 часа) | 15661 руб. |
| O42762 | 40 | S91H | =24 | Со склада (комплектация 1..72 часа) | 15661 руб. |
| O42783 | 40 | S91H | =12 | Со склада (комплектация 1..72 часа) | 15661 руб. |
| O42804 | 40 | S91H | =6 | Со склада (комплектация 1..72 часа) | 15661 руб. |
| O42713 | 40 | ASE11H | ~220 | Со склада (комплектация 1..72 часа) | 17220 руб. |
| O42769 | 40 | ASE11H | =24 | Со склада (комплектация 1..72 часа) | 17320 руб. |
| O42790 | 40 | ASE11H | =12 | 120 дней | 17320 руб. |
| O42720 | 40 | ASEx543 | ~220 | Со склада (комплектация 1..72 часа) | 21977 руб. |
| O42734 | 40 | ASEx543 | ~110 | Со склада (комплектация 1..72 часа) | 22077 руб. |
| O42755 | 40 | ASEx543 | ~24 | 120 дней | 22077 руб. |
| O42776 | 40 | ASEx543 | =24 | Со склада (комплектация 1..72 часа) | 22077 руб. |
| O42797 | 40 | ASEx543 | =12 | Со склада (комплектация 1..72 часа) | 22077 руб. |
| O42700 | 50 | S91H | ~380 | Со склада (комплектация 1..72 часа) | 23442 руб. |
| O42707 | 50 | S91H | ~220 | Со склада | 23342 руб. |
| O42728 | 50 | S91H | ~110 | Со склада (комплектация 1..72 часа) | 23442 руб. |
| O42742 | 50 | S91H | ~36 | Со склада (комплектация 1..72 часа) | 23442 руб. |
| O42749 | 50 | S91H | ~24 | Со склада (комплектация 1..72 часа) | 23442 руб. |
| O42763 | 50 | S91H | =24 | Со склада (комплектация 1..72 часа) | 23442 руб. |
| O42784 | 50 | S91H | =12 | Со склада (комплектация 1..72 часа) | 23442 руб. |
| O42805 | 50 | S91H | =6 | Со склада (комплектация 1..72 часа) | 23442 руб. |
| O42714 | 50 | ASE11H | ~220 | Со склада (комплектация 1..72 часа) | 25001 руб. |
| O42770 | 50 | ASE11H | =24 | Со склада (комплектация 1..72 часа) | 25101 руб. |
| O42791 | 50 | ASE11H | =12 | 120 дней | 25101 руб. |
| O42721 | 50 | ASEx543 | ~220 | Со склада (комплектация 1..72 часа) | 29758 руб. |
| O42735 | 50 | ASEx543 | ~110 | Со склада (комплектация 1..72 часа) | 29858 руб. |
| O42756 | 50 | ASEx543 | ~24 | 120 дней | 29858 руб. |
| O42777 | 50 | ASEx543 | =24 | Со склада (комплектация 1..72 часа) | 29858 руб. |
| O42798 | 50 | ASEx543 | =12 | Со склада (комплектация 1..72 часа) | 29858 руб. |
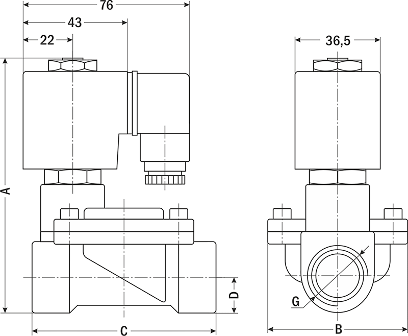
| Габаритные размеры |
![]() |
| AR-2D21 | ||||||||||
| Размер, мм | -12 | -15 | -20 | -25 | -32 | -40 | -50 | |||
| A | 101 | 101 | 111 | 124 | 144 | 144 | 157 | |||
| B | 49 | 49 | 59 | 72 | 96 | 96 | 122 | |||
| C | 75 | 75 | 83 | 100 | 130 | 130 | 153 | |||
| D | 13 | 13 | 16 | 20 | 28 | 28 | 35 | |||
| G | ⅜" | ½" | ¾" | 1" | 1¼" | 1½" | 2" | |||
| Вес, г | 766 | 740 | 970 | 1335 | 2507 | 2354 | 3749 | |||
Документация и схемы
| Документ | Дата изменения | Размер | Файл |
| Руководство по эксплуатации | 25.01.2024 | 0.49 Мб | ![]() |




