Клапан нормально закрытый AR-YCWS10-11PU
Клапан соленоидный нормально закрытый непрямого действия с диафрагмой AR-YCWS10-11PU для управления потоком рабочей среды в трубопроводеПрежнее название клапана: AR-YCWS10-11-FC
Особенности:
- Клапан может использоваться в пищевых устройствах: кулерах, бойлерах, кофемашинах
- Пониженное энергопотребление
- Компактный размер
- Ламели для подключения в комплекте
Принцип действия и область применения
Нормально закрытый соленоидный клапан — это магнитный клапан, в котором закрытое положение сохраняется, если управляющее напряжение на его индукционную катушку не подается. При подаче напряжения на катушку нормально закрытый клапан открывается и пропускает через себя поток рабочей среды. При отключении управляющего напряжения клапан автоматически закрывается и перекрывает поток рабочей среды в трубопроводе. При обрыве провода управляющего напряжения клапан будет закрыт.
В большинстве случаев подходит для эксплуатации в системах водоснабжения, теплоснабжения, вентиляции и пневмоуправления. Особенно актуально применение данного типа изделия, когда клапан должен быть закрыт большую часть времени, либо когда он обязательно должен быть закрыт при отключении электропитания системы.
Для защиты клапана от попадания инородных частиц необходима установка фильтра механической очистки перед входным отверстием соленоидного клапана.
Для герметизации резьбовых металлических соединений рекомендуется использование анаэробных герметиков.
Технические характеристики
| Параметр | Значение | |
| Рабочая среда | Вода, горячая вода, воздух, масла | |
| Материал | Корпуса | Полиацеталь |
| Уплотнения | Силикон | |
| Температура рабочей среды | −10...+80°С | |
| Рабочее давление | 0,02...0,8 МПа | |
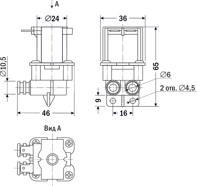
| Диаметр условного прохода | 5 мм | |
| Присоединение | 2 штуцера ∅10,5 мм | |
| Катушка | SA41B, IP20 | |
| Питание | ~220 В, ~110 В, ~24 В, =36 В, =24 В, =12 В, =6 В | |
| Мощность | 5 ВА (АС), 5 Вт (DC) | |
Модификации:
| Модель | Ду, мм | Kv, м³/ч | Присоединение | Pmin, МПа | Pmax, МПа | Вес, г |
| AR-YCWS10-11PU-5-d10,5-CLQ | 5 | 0,85 | 2 штуцера ∅10,5 мм | 0,02 | 0,8 | 100 |
Расшифровка обозначения клапана AR-YCWS10-11PU-5-d10,5-XYZ:
AR-YCWS10-11PU – модель клапана.
5 — диаметр условного прохода, мм.
d10,5 — внешний диаметр штуцера, мм.
X – присоединение: C – штуцеры.
Y – материал корпуса: L – полиацеталь.
Z – материал уплотнения: Q – силикон.
Все модификации
| Артикул | Питание, В | Срок поставки | Стоимость |
|---|---|---|---|
| M70130 | ~220 | Со склада (комплектация 1..72 часа) | 913 руб. |
| M70131 | ~110 | Со склада (комплектация 1..72 часа) | 913 руб. |
| M70132 | ~24 | Со склада (комплектация 1..72 часа) | 913 руб. |
| M70133 | =36 | Со склада (комплектация 1..72 часа) | 913 руб. |
| M70134 | =24 | Со склада | 913 руб. |
| M70135 | =12 | Со склада | 913 руб. |
| M70136 | =6 | Со склада (комплектация 1..72 часа) | 913 руб. |
| Габаритные размеры |
![]() |
Документация и схемы
| Документ | Дата изменения | Размер | Файл |
| Руководство по эксплуатации | 23.06.2024 | 0.74 Мб | ![]() |




