Клапан нормально открытый AR-2Q12
Клапан соленоидный нормально открытый прямого действия с поршнем пережимающий AR-2Q12 для управления потоком рабочей среды в трубке
Особенности:
- Подходит для использования с агрессивными или высокочистыми жидкостями в аналитических и медицинских приборах, а также в пищевой промышленности. Герметичное разделение механизма управления и жидкости внутри трубопровода предотвращает загрязнение частицами, вызванное трением движущихся частей, а также обеспечивает максимальную чистоту жидкостей
- Подходит для работы с трубками наружным диаметром до 6 мм, изготовленными из мягкого силикона или другого материала (твердостью по Шору до 50 A)
- Рабочая среда может проходить в обоих направлениях
- Клапан прямого действия: для работы не требуется наличие давления в трубке
- Простая установка трубки через боковую прорезь
- Конструкция клапана исключает возникновение турбулентности или пустот и потери давления
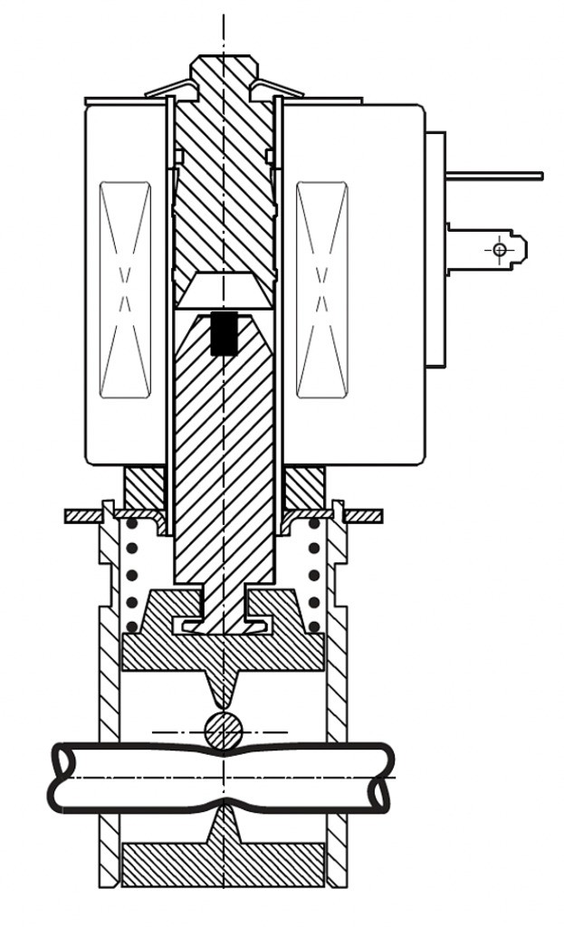
Принцип действия и область применения
Нормально открытый соленоидный клапан, пережимающий трубку — это клапан, который при отсутствии напряжения на его индукционной катушке открыт для потока рабочей среды через трубку. При подаче напряжения на катушку магнитный клапан этого типа пережимает трубку и остается в таком положении все время, пока напряжение подается на катушку. При обрыве провода управляющего напряжения клапан будет открыт. Особенно актуально применение данного типа клапана, когда клапан должен быть открыт большую часть времени либо когда он обязательно должен быть открыт при отключении электропитания системы
Технические характеристики
| Параметр | Значение | ||||
| Рабочая среда | Агрессивные жидкости/газы, вода, воздух, инертные газы и пр. среды, пригодные к контакту с материалом используемой трубки | ||||
| Материал | Корпуса | Алюминий, нержавеющая сталь | |||
| Прижимающей вставки | Нейлон | ||||
| Температура рабочей среды | Определяется свойствами трубки, по которой протекает среда (не входит в комплект поставки) | ||||
| Рабочее давление | 0,0...0,2 МПа | ||||
| Наружный диаметр трубки | до 6 мм | ||||
| Температура окружающей среды | −10...+60°С | ||||
| Катушка | AS10B, IP65 | AS24B, IP65 | |||
| Питание | =24 В, =12 В | ||||
| Мощность | 12 Вт | 15 Вт | |||
Модификации
| Модель | Присоединение | Pmin, МПа | Pmax, МПа | Вес, г |
| AR-2Q12-d6-PA | пережимной, трубка диаметром до 6 мм | 0,0 | 0,2 | 240 |
Расшифровка обозначения на примере клапана AR-2Q12-d6-XY:
AR-2Q12– модель клапана.
6 – диаметр трубки в мм.
X – присоединение: P – пережимной.
Y – материал корпуса: A – алюминий, нержавеющая сталь.
Все модификации
| Артикул | Модель катушки | Питание, В | Срок поставки | Стоимость |
|---|---|---|---|---|
| V59245 | AS10B | =24 | Со склада | 4503 руб. |
| V59247 | AS10B | =12 | Со склада | 4503 руб. |
| V59246 | AS24B | =24 | Со склада | 4035 руб. |
| V59248 | AS24B | =12 | Со склада | 4035 руб. |
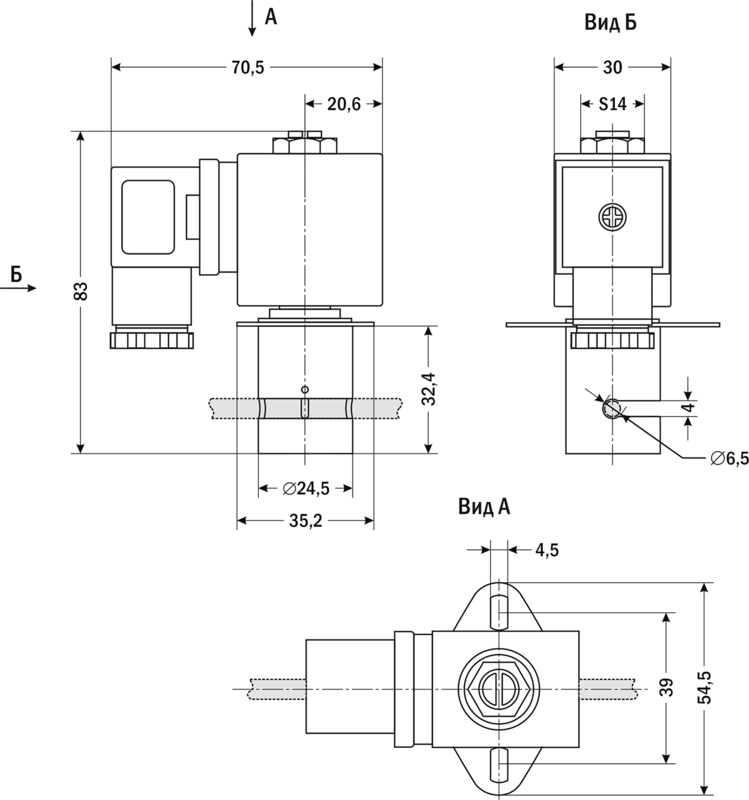
| Габаритные размеры |
![]() |
Документация и схемы
| Документ | Дата изменения | Размер | Файл |
| Руководство по эксплуатации | 25.12.2024 | 0.53 Мб | ![]() |


